This discussion has been locked.
You can no longer post new replies to this discussion. If you have a question you can start a new discussion

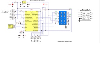
Can I program M95640WP using CH341A Programmer

My Onkyo receiver got frozen and behaving stubborn.
Can I program M95640WP using CH341A Programmer
any help in this matter shall be highly appreciated.

datasheet included here
https://ibb.co/1JTWkLs

thanks in advance

CDS hosted at ImgBB

ImgBB
Image CDS hosted in ImgBB

0