Hi,
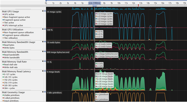
I captured the data using the default G57-valhall template and found a issue that the values all show "∞.0" when hovering over the chart on the timeline as below:
Is there something wrong? I really followed the user guider and everything goes well but this.
Version: Arm Performance Studio 2025.7
Chipset: A55 & G57
This is a regression in the 2025.7 release. As a workaround, I would suggest reverting to the 2025.6 release for now.
Can you confirm what host OS you are using? As far as we are aware this only occurs on Linux hosts, but more data points would be useful.
Sorry for the inconvenience,
Pete
thanks for your reply!
the host OS: Windows 10 Enterprise LTSC
it works for me! really appreciate!